PT100是一种常用的铂热电阻温度传感器,其命名源于:在0℃时电阻值为100Ω,电阻随温度变化而线性变化(约 0.385 Ω/℃),因此被广泛应用于工业测温场景中。
由于PT100的阻值较小,接线方式对测量精度有显著影响。为了抵消引线电阻对温度测量带来的误差,工程中通常采用二线制、三线制或四线制接线方法,以下分别介绍各种接线方式的原理与特点。
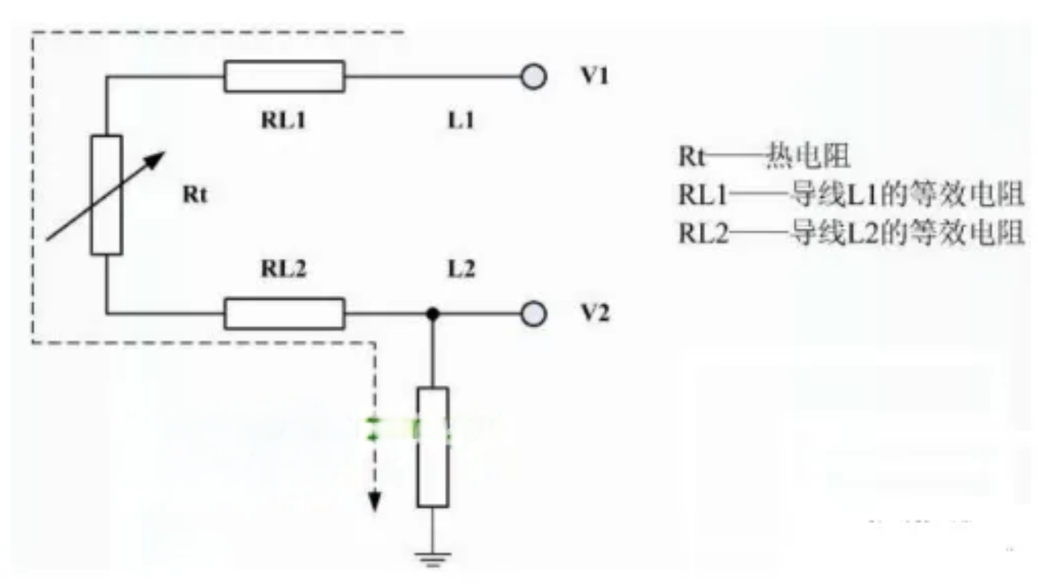
二线制接法(最简单、误差最大)
在二线制接法中,信号测量和激励电流共用一对导线。如下图所示,变送器通过L1、L2给PT100通入恒流,测量其两端的电压降。
但由于引线电阻(RL1、RL2)与传感器电阻串联,其电阻值会被误计入PT100本体中,导致测量结果偏高。

例如:当引线电阻总和为2Ω,在100℃时会带来超过5℃的测量误差,不适用于对精度要求较高的场合。
✅特点: 接线简单,适用于对测温精度要求不高的场合。
❌ 缺点: 引线电阻不可忽略,误差大。
三线制是目前工业控制系统中最广泛使用的PT100接线方式。

PT100的两端引出三根导线,其中一端接一根线,另一端接两根线(通常三根线规格、长度一致)。仪表通过差分测量原理和桥路补偿,自动消除一部分引线电阻误差。

原理:两根引线电阻对电桥的两臂影响相等,从而抵消其误差。
✅特点: 接线方便,兼顾精度与成本,适用于大多数工业测温应用。
❌缺点: 对三根引线的电阻一致性有要求,略低于四线制的精度。
四线制接法(精度最高)
四线制是最精确的PT100接法方式。PT100的每一端各引出两根导线,一对供电,一对测量。供电线提供恒定电流,测量线接入高阻抗电压检测电路,不产生电流,彻底消除引线电阻影响。

实际测得的电压仅来自PT100本体两端的压降,具有最小误差。
✅特点: 最高测量精度,适用于实验室、精密设备和温度闭环控制系统。
❌缺点: 接线复杂、布线成本高。